Mini Programmateur de PIC sur le port USB
Ce montage présente un mini programmateur de micro-contrôleurs PIC sur le port USB, avec une taille de 8*4cm et ne nécessitant pas un cordon USB.
Les programmateurs de PIC sont très répandus sur internet.
Réaliser un programmateurs de PIC en vous inspirant de ce montage: Programmateur de PIC sur le port USB auto alimenté. La raison pour laquelle j'ai voulu un micro programmateur USB est tout simplement pour sa portabilité, car la taille du programmateur déjà publié et le cordon USB ont été un inconvénient majeur et je trouvais ça trop contraignant.
Réaliser un programmateurs de PIC en vous inspirant de ce montage: Programmateur de PIC sur le port USB auto alimenté. La raison pour laquelle j'ai voulu un micro programmateur USB est tout simplement pour sa portabilité, car la taille du programmateur déjà publié et le cordon USB ont été un inconvénient majeur et je trouvais ça trop contraignant.
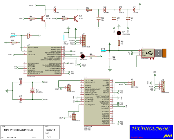
Schéma du programmateur :
Le circuit est composé de plusieurs parties:
- L'alimentation qui est fournit par le port USB,
- Un circuit à pompe de charge qui fournit la tension de programmation à partir de l'alimentation USB,
- Un support ICSP (In Circuit Sérial Programmeur),
- Le cœur du montage : le PIC18F2550,
- Des jumper pour sélectionner le type de composant à programmer (8/18/28/40 broches),
- Un support ZIF ou deux supports 40 broches
Liste des composants du MINI PROGRAMMATEUR USB
| 6 Résistances | |||||||||||||||||||||||||||||
| Quantité: | Références | Valeur | Rq | ||||||||||||||||||||||||||
| 1 | R1 | 10k | 1/4 W | ||||||||||||||||||||||||||
| 1 | R2 | 2k2 | 1/4 W | ||||||||||||||||||||||||||
| 2 | R3, R4 | 4k7 | 1/4 W | ||||||||||||||||||||||||||
| 2 | R8, R9 | 270 | 1/4 W | ||||||||||||||||||||||||||
| 7 Capacités | |||||||||||||||||||||||||||||
| Quantité: | Références | Valeur | Rq | ||||||||||||||||||||||||||
| 1 | C2 | 100n | Céramique | ||||||||||||||||||||||||||
| 1 | C3 | 47u | Chimique | ||||||||||||||||||||||||||
| 2 | C4, C5 | 15p | Céramique | ||||||||||||||||||||||||||
| 2 | C7, C8 | 1u | Chimique | ||||||||||||||||||||||||||
| 1 | C9 | 10u | Chimique | ||||||||||||||||||||||||||
| 2 Circuits integrés | |||||||||||||||||||||||||||||
| Quantité: | Références | Valeur | Rq | ||||||||||||||||||||||||||
| 1 | U2 | PIC18F2550 | |||||||||||||||||||||||||||
| 2 Transistors | |||||||||||||||||||||||||||||
| Quantité: | Références | Valeur | Rq | ||||||||||||||||||||||||||
| 2 | Q1, Q2 | BC547 | |||||||||||||||||||||||||||
| 6 Diodes | |||||||||||||||||||||||||||||
| Quantité: | Références | Valeur | Rq | ||||||||||||||||||||||||||
| 4 | D1-D4 | 1N4148 | |||||||||||||||||||||||||||
| 1 | D5 | LED | Rouge | ||||||||||||||||||||||||||
| 1 | D7 | LED | Verte | ||||||||||||||||||||||||||
| 10 Autres | |||||||||||||||||||||||||||||
| Quantité: | Références | Valeur | Rqe | ||||||||||||||||||||||||||
| 1 | J1 | USB CONN | USB Type A | ||||||||||||||||||||||||||
| 2 | J2, J3 | CONN-SIL5 | |||||||||||||||||||||||||||
| 3 | J4-J6 | CONN-SIL2 | |||||||||||||||||||||||||||
| 1 | U1 | Support ZIF | 40 Broches | ||||||||||||||||||||||||||
| 3 | ST1-ST3 | STRAP | |||||||||||||||||||||||||||
| 1 | X1 | CRYSTAL 12MHz | |||||||||||||||||||||||||||
Réalisation:
Afin de réduire la taille au maximum, ce programmateur est composé de deux parties qui vont ensuite être montées ensemble
L'implantation des différents microcontrôleurs sur le support ZIF est faite selon le schéma suivant :
C'est le logiciel WinPic800 V3.55G qui prend en charge ce programmateur USB.
le programme du PIC18F2550 ce trouve dans WinPic800-3.55G/PIC18F2550 HEX.
Le logiciel WinPIC 800 V3.55G permet une gestion efficace et rapide du programmateur USB :
- WinPic 800 V3.55G détecte automatiquement le PIC placé sur les supports du programmateur,
- WinPic 800 V3.55G ne nécessite aucun réglage.
Une fois que vous avez réalisé votre programmateur on va enfin pouvoir passer aux choses sérieuses !! Brancher votre montage à un port USB de votre ordinateur. Si votre circuit est correct vous devriez voir apparaitre cette fenêtre après quelques secondes :



0 Comments





